New Bliss Logo

Notice De Montage Porte Sectionnelle Novoferm Iso 45


Notice De Montage Porte Sectionnelle Novoferm Iso 45

Voir et télécharger Novoferm ISO 45 notice de pose en ligne. ISO 45 ouvreurs de porte de garage téléchargement de manuel pdf... ISO 45 ouvreurs de porte de garage.

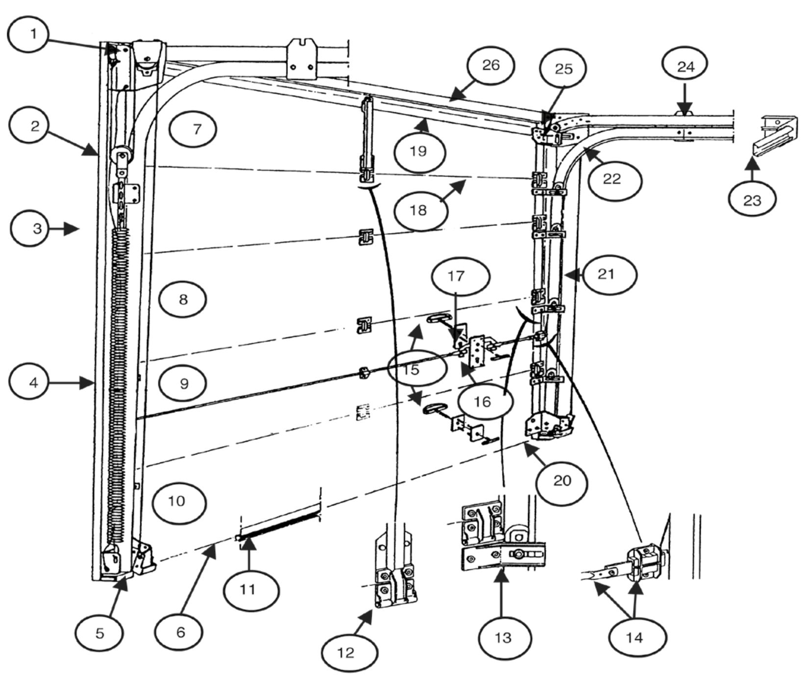
Notice de pose pour portes sectionnelles à huisserie à husserie cornière porte sectionnelle avec profil anti-pince doigts avec ressorts de torsion à l’avant des rails de guidage avec.

Porte sectionnelle Iso 45 Latérale Novoferm. Retrouvez toutes les pièces détachées Novoferm pour Porte sectionnelle Iso 20 Latérale. Fabrication : du 07/2002 au 10/2009. Il.

ULTIBAT. La porte de garage sectionnelle Iso45 de Novoferm est composée d'un tablier monobloc en acier galvanisé ép. 45 mm avec âme isolante en mousse de polyuréthane.

version pdf. Caractéristiques techniques - Systèmes automatiques de portes sectionnelles privées. taille du fichier 4 MB. télécharger. version pdf. Portes battantes et huisseries..

Novoferm Porte sectionnelle motorisée ISO45 (fabrication standard) Le panneau le plus épais du marché pour isoler efficacement de l'extérieur. L'excellence "French Touch" en.

Montage porte de garage novoferm iso 45 - Voiture, moto et auto. Bonne marque de cave à vin climadiff; Notice de montage porte sectionnelle novoferm iso 45 sbf8axxxx; Densité.

Voir et télécharger Novoferm ISO 45 notice de pose en ligne. ISO 45 ouvreurs de porte de garage téléchargement de manuel pdf Instructions de démontage pour portes.

Nous vous proposons de découvrir les comment régler une porte de garage sectionnelle novoferm le plus efficace et qui donne le meilleur rendu. Lamsachdoda.com c’est.

Notice de pose pour portes sectionnelles à huisserie à husserie cornière porte sectionnelle avec profil anti-pince doigts avec ressorts de torsion à l’avant des rails de.

Novoferm, est l'une des sociétés en pointe dans le domaine des portes de garages, motorisations de portes de garages, portes battantes, portes coupe feu, huisserie.

2

Notice De Montage Porte Sectionnelle Novoferm Iso 45 Porte sectionnelle Symphonie Novoferm
Notice De Montage Porte Sectionnelle Novoferm Iso 45 Porte de garage sectionnelle avec portillon : ISO45 portillon | Novoferm
Notice De Montage Porte Sectionnelle Novoferm Iso 45 Porte de garage sectionnelle ISO45 | Novoferm
Notice De Montage Porte Sectionnelle Novoferm Iso 45 Porte de garage sectionnelle ISO45 | Novoferm
Notice De Montage Porte Sectionnelle Novoferm Iso 45 Novoferm le portillon intégré pour la porte sectionnelle ISO 45
Notice De Montage Porte Sectionnelle Novoferm Iso 45 Vidéos-Tutos HABITAT | Novoferm
Notice De Montage Porte Sectionnelle Novoferm Iso 45 Porte de garage Sectionnelle Novoferm ISO45 avec portillon ouvrant  extérieur ! | BigMat
Notice De Montage Porte Sectionnelle Novoferm Iso 45 Novoferm la porte sectionnelle motorisée ISO 45 (fabrication standard)
Notice De Montage Porte Sectionnelle Novoferm Iso 45 Novoferm tige de tringlerie pour porte ISO45 (ouverture int et ext)
Notice De Montage Porte Sectionnelle Novoferm Iso 45 Vidéos-Tutos HABITAT | Novoferm
Notice De Montage Porte Sectionnelle Novoferm Iso 45 Instructions de montage pour portes de garage sectionnelles Standard -  YouTube
Notice De Montage Porte Sectionnelle Novoferm Iso 45 Porte sectionnelle Maeva 2 / Iso 20 Novoferm
Notice De Montage Porte Sectionnelle Novoferm Iso 45 Montage porte sectionnelle avec portillon - YouTube
Notice De Montage Porte Sectionnelle Novoferm Iso 45 Porte de garage sectionnelle | Novoferm