New Bliss Logo

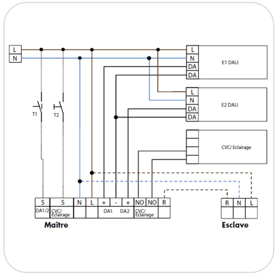
Branchement Schema Cablage Dali Avec Bouton Poussoir


Branchement Schema Cablage Dali Avec Bouton Poussoir

(100m max. entre le contrôleur et le poussoir) Ballast DALI/DSI : 1 x 1,5 mm² (bornes à vis) (16 ballast max par voie) la distance dépend du type de câble utilisé. Le produit est dédié DALI ou DSI. Le choix DALI/DSI se fait automatiquement. Connexion entre détecteur et contrôleur : cordon ou câble RJ45 ou

Cablage 2 fils DALI en utilisant un variateur DALI et une alimentation DALI séparée : Avantage du cablage avec variateur DALI Les commandes sont simples et.

Cablage 2 fils dali en utilisant un variateur dali et une alimentation dali séparée : 1 x 1,5 mm² (bornes à vis) (100m max. 3.75 kv, 100% pendant 2 secondes.

Schema cablage dali avec bouton poussoir.cablage 2 fils dali en utilisant un variateur dali et une alimentation dali séparée : Bouton poussoir avec voyant lumineux legrand van et.

Pour réaliser ce branchement, vous aurez besoin d’un tournevis, d’un télérupteur unipolaire, d’un bouton poussoir et de fils conducteurs. La sécurité avant.

bonjour les amis et bienvenue sur ma chaine autonomie électricité, aujourd'hui je vais vous montrer comment réaliser un câblage télérupteur avec bouton pouss...

RACCORDEMENT ÉLECTRIQUE LUMINAIRE VARIABLE DIMMABLE DALI AVEC REPEATER OSRAM DALI ET BOUTON.

DALI, -30°C..+60°C 90°C DRIVERS DALI LCM-40DA - DALI, Bouton poussoir Référence : Compatibilité : Dimensions (mm) : Câblage : Sécurité Accessoires (à commander.

Chez 123elec.com, nous vous proposons un choix de boutons poussoirs de différentes marques : Siemens, Legrand, Schneider. Nous vous proposons également de choisir la.

Schéma raccordement détecteur de présence avec poussoir et télérupteur. Un réseau wifi intégré et crypté de manière autonome garantit une connexion et une sécurité.

Comment câbler le montage du circuit électrique d'un télérupteur et boutons poussoirs : 1. Les boutons poussoirs : du télérupteur jusqu'au premier boîtier de bouton poussoir, •.

Document branchement schema cablage dali avec bouton poussoir lu en ligne gratuitement, branchement schema cablage dali avec bouton poussoir visionneuse PDF.

RACCORDEMENT LUMINAIRE VARIABLE DIMMABLE DALI AVEC REPEATER OSRAM DALI ET BOUTON POUSSOIR #shorts - YouTube

Branchement Schema Cablage Dali Avec Bouton Poussoir DALI, une technologie de pilotage dédiée à l'éclairage
Branchement Schema Cablage Dali Avec Bouton Poussoir 2
Branchement Schema Cablage Dali Avec Bouton Poussoir PUSH DIM - YouTube
Branchement Schema Cablage Dali Avec Bouton Poussoir 2
Branchement Schema Cablage Dali Avec Bouton Poussoir Gradation Dali - YouTube
Branchement Schema Cablage Dali Avec Bouton Poussoir 2
Branchement Schema Cablage Dali Avec Bouton Poussoir 2
Branchement Schema Cablage Dali Avec Bouton Poussoir 2
Branchement Schema Cablage Dali Avec Bouton Poussoir BEG - 92756 - PD4-M-TRIO-2DALI-DSI-1C-FP
Branchement Schema Cablage Dali Avec Bouton Poussoir theRonda P360 330 DALI Détecteur de présence et de mouvement - YouTube
Branchement Schema Cablage Dali Avec Bouton Poussoir BEG - 92565 - PD2-M-1C-FP
Branchement Schema Cablage Dali Avec Bouton Poussoir RACCORDEMENT LUMINAIRE VARIABLE DIMMABLE DALI AVEC REPEATER OSRAM DALI ET  BOUTON POUSSOIR #shorts - YouTube
Branchement Schema Cablage Dali Avec Bouton Poussoir 2
Branchement Schema Cablage Dali Avec Bouton Poussoir Aide nouvelle installation avec télérupteurs existants - Cartes Ethernet  IPX800 - GCE Electronics - Forum des utilisateurs - IPX800 - EcoDevices  etc...